東都電機工業株式会社|独創で未来を拓く|製品情報 セメントスラリーデジタル流量計(三成分)  【FMA-5000】 – 東都電機工業株式会社

product

製品情報

地盤改良用計測機器

セメントスラリーデジタル流量計(三成分)  【FMA-5000】

概  要

各種セメントスラリー系地盤改良工事において、セメントスラリーの吐出流量と圧力に加え密度の三成分を計測し、施工状況のモニタリングが行えます。
得られたデータは本体にデジタル記録されると同時にインターネット上の専用クラウドもアップロードされる為、遠隔地での一元管理が可能となり施工品質の向上と集計作業の省力化に寄与します。

仕  様

備考
※1:オプションで高圧ポンプに吐出圧力センサを設置した場合、信号の取込みが可能です。
※2:オプションの密度センサ(RI密度計等)を配管ラインに設置した場合、信号の取込みが可能です。

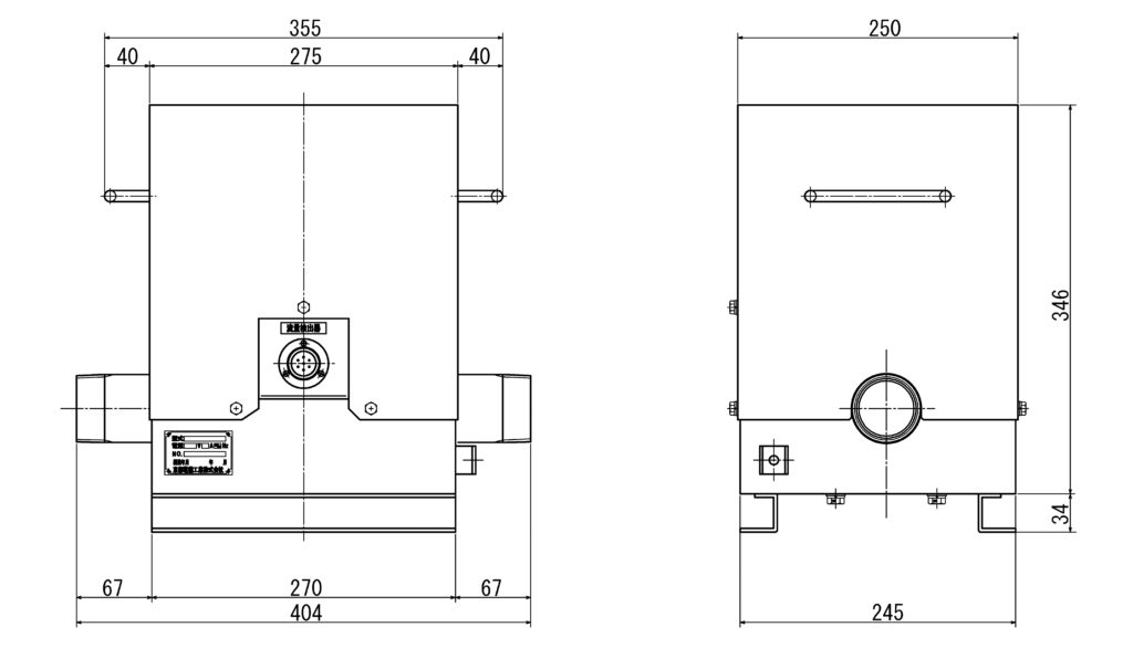
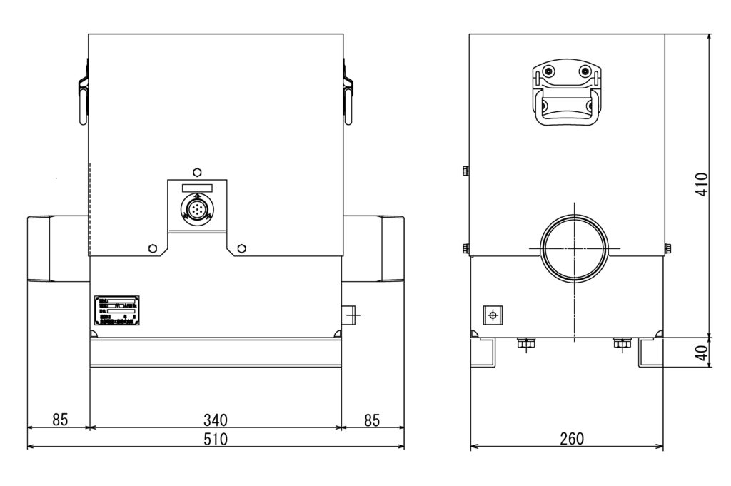
外 観 図

― 記録部 ―

― 検出部【50A】 ―

― 検出部【80A】 ―